Descrizione
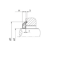
Gli anelli di tenuta VRM 02 sono anelli di tenuta assiale formati da un anello in metallo con rivestimento protettivo e da un elemento di tenuta in elastomero vulcanizzato.
Il funzionamento dell'anello in metallo è quello di proteggere l'elastomero da danni, serve come appoggio e sostegno per l'anello in elastomero ed agisce simultaneamente come centrifugatore .
L'anello di elastomero non è incollato ma tensionato sopra l'anello metallico ed è da questo ulteriormente trattenuto assialmente.
Nel VRM 02 l'anello di metallo viene prolungato in direzione assiale sul diametro esterno, creando così un'ulteriore tenuta a labirinto in combinazione con la scanalatura circolare nella superficie di strisciamento.
Materiale:
Elastomero: FKM 70
Anello metallico:
acciaio 1.0204 ( SAE 1008 ), rivestito su richiesta
acciaio inox 1.4301 (SAE 304)
Colore elastomero: marrone
Caratteristiche: l'anello di tenuta assiale VRM possiede una tenuta su qualsiasi superficie (grasso, sporco, polvere, acqua), ha una combinazione con gli anelli di tenuta, ha una funzione di tenuta addizionale grazie all'azione centrifugatrice dell'anello metallico, ha una buona azione di tenuta dinamica, possiede un semplice elemento di tenuta con ingombro limitato, l'anello di metallo protegge l'elastomero da danni, non ha bisogno di alcuna finitura della superficie di strisciamento e di alcun dispositivo di arresto assiale. Il VRM 02 funziona anche come tenuta a labirinto, grazie a quest'ultimo il VRM 02 fornisce un'ulteriore protezione e viene impiegato in applicazioni dove è richiesta una elevata efficienza.
Utilizzo: gli anelli di tenuta assiale VRM sono applicati come elementi di tenuta modulari montati in serie per impedire l'infiltrazione di sporco, polvere ed acqua dall'esterno, inoltre sono usati soprattutto in combinazione con anelli di tenuta per alberi rotanti. Negli ultimi anni sono stati usati con successo nell'industria meccanica e degli azionamenti.
Temperatura ( °C ): -30 °C ÷ +180 °C
Velocità periferica: ≤ 12 m/s
Pressione: sono concepiti per lavorare in mancanza di pressione.
Resistenza a fluidi: oli e grassi minerali, oli motore e per trasmissioni, oli e grassi sintetici, idrocarburi aromatici e clorurati, Carburanti, grande resistenza a prodotti chimici e solventi.
| Cod. | Tipo | Materiale | d (mm) | D (mm) | H (mm) | Pz | |
| 1231401 | VRM | FKM | 15 | 32 | 4 | ![]() | |
| 1231402 | VRM | FKM | 17 | 34 | 4 | ![]() | |
| 1231403 | VRM | FKM | 20 | 37 | 4 | ![]() | |
| 1231404 | VRM | FKM | 25 | 42 | 4 | ![]() | |
| 1231405 | VRM | FKM | 30 | 48 | 4,5 | ![]() | |
| 1231406 | VRM | FKM | 35 | 53 | 4,5 | ![]() | |
| 1231407 | VRM | FKM | 40 | 58 | 4,5 | ![]() | |
| 1231408 | VRM | FKM | 45 | 63 | 4,5 | ![]() | |
| 1231409 | VRM | FKM | 45 | 63 | 4,5 | ![]() | |
| 1231410 | VRM | FKM | 50 | 72 | 5,5 | ![]() | |
| 1231411 | VRM | FKM | 55 | 77 | 5,5 | ![]() | |
| 1231412 | VRM | FKM | 60 | 82 | 5,5 | ![]() | |
| 1231413 | VRM | FKM | 70 | 92 | 5,5 | ![]() | |
| 1231414 | VRM | FKM | 75 | 97 | 5,5 | ![]() | |
| 1231415 | VRM | FKM | 80 | 102 | 5,5 | ![]() | |
| 1231416 | VRM | FKM | 85 | 107 | 5,5 | ![]() | |
| 1231417 | VRM | FKM | 95 | 117 | 5,5 | ![]() |