Giunti in Gomma Metallo Flangiati
O-Ring Materiali e Durezze Speciali
Passacordoni, cappucci morbidi, pipe
Piedini, rondelle morbide, articoli vari
Manicotti, pinze, guaine e nastri isolanti
Pannelli in Policarbonato o Acrilico ANTI-COVID 19
Colonne porta dispenser/oggetti
Lastre e Rotoli in Gomma Elastomerica Speciali
CR/SBR - Lastre in Elastomero gomma CR (cloroprene) / SBR (stirene-butadiene)
CR Lastre in Elastomero gomma (cloroprene) - Durezza:65±5 Shore A colore nero
CSM Lastre in Elastomero gomma, (Polietilene-Clorosolfonato), HYPALON® - Durezza:65±5 Shore A
EPDM Lastre in Elastomero gomma (etilene propilene diene)
NBR Lastre in Elastomero gomma (nitrile)
NBR Lastre in elastomero gomma Stampate (nitrile)
NBR/SBR Lastre in gomma elastomero NBR (nitrile) / SBR (stirene-butadiene)
HNBR Lastre in elastomero gomma (nitrile idrogenato)
NR Lastre in elastomero (gomma naturale)
NR/SBR Lastra in elastomero NR (gomma naturale) / SBR (stirene-butadiene) PARA/SUPER FDA
SBR Lastre in elastomero gomma (stirene-butadiene) con inserto in tessuto di vetro
SBR Lastre in elastomero gomma (stirene-butadiene) Gomma PARA
VMQ Lastre in elastomero gomma (SILICONE) con durezza 50 Shore A
VMQ Lastre in elastomero gomma (SILICONE) con durezza 60 Shore A
FKM Lastre in elastomero gomma (fluorocarbonio)
Ricerca per codice articolo
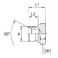
| Cod. | Bar | A (mm) | L1 (mm) | L2 (mm) | Chiave "CH1" | Pz | |
| 4051001 | 400 | 1/8 | 14.5 | 8 | 14 | ![]() | |
| 4051002 | 400 | 1/4 | 19 | 11 | 19 | ![]() | |
| 4051003 | 400 | 3/8 | 20.5 | 12 | 22 | ![]() | |
| 4051004 | 350 | 1/2 | 24 | 14 | 27 | ![]() | |
| 4051005 | 350 | 5/8 | 26 | 16 | 30 | ![]() | |
| 4051006 | 315 | 3/4 | 28 | 16 | 32 | ![]() | |
| 4051007 | 250 | 1 | 32 | 19 | 41 | ![]() | |
| 4051008 | 200 | 1.1/4 | 35 | 20 | 50 | ![]() | |
| 4051009 | 160 | 1.1/2 | 40 | 23 | 55 | ![]() | |
| 4051010 | 125 | 2 | 45.5 | 25 | 70 | ![]() |
MAR-GOM S.R.L. - PRODUZIONE ARTICOLI TECNICI IN GOMMA, GOMMA-METALLO, MATERIE PLASTICHE
www.produzionegomma.it www.mar-gomindustria.com www.mar-gom.com commerciale@mar-gom.it
Sede Legale:Corso Galileo Ferraris 69 - 10128 - Torino (TO) Italy - Sede Operativa:Via Brandizzo 34 - 10099 - S. Mauro Torinese (TO) Italy Tel: +39.011.822.69.16 - P.IVA 10551620015
Tutti i nomi di prodotti e servizi menzionati nel sito web sono depositati dalle rispettive società. Le informazioni fornite perseguono finalità di carattere esclusivamente informativo. SDI:1N74KED




